摘要
在许多应用中,防止过压至关重要。本文将阐释如何利用保护电路来消除过压。
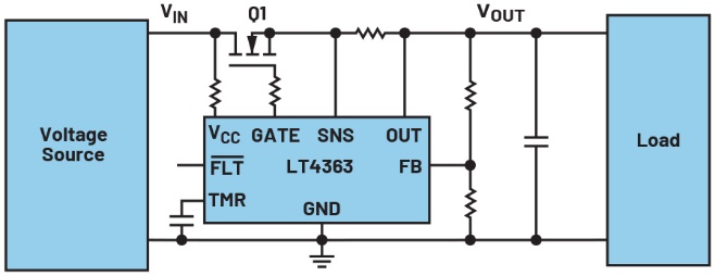
例如,在配电系统中,高负载的快速断开可能会导致过压的产生。为保护连接到同一电源的其他负载,建议采取浪涌保护措施。图1所示为一个保护电路的布局,在待保护的电子电路前端使用了LT4363。此示例源自一个额定电源电压为24 V的工业应用。

图1.用于拦截电压浪涌的浪涌保护电路的简易图示。
通常情况下,在出现过压时,受到保护的电子设备应保持不间断地运行。这就要求保护电路能够使断路器(图1中的Q1)在线性范围内工作。在出现过压期间,MOSFET既不会完全关断,也不会完全导通,而是处于部分导通状态。在这种工作状态下,它的作用就像一个电阻,过压会在其上产生压降。因此,升高的电压所蕴含的能量会在MOSFET Q1中转化为热量。根据所选MOSFET的不同,它只能在一定时间内承受这种热量,之后便会因过热而损坏。

图2.MOSFET的典型SOA曲线。
图2显示了MOSFET的典型安全工作区(SOA)曲线。SOA曲线定义了器件在不同电压降下可承载的电流大小,以及能够持续承载该电流的时长。如果希望有更大的电流长时间流过MOSFET,就必须选择SOA范围更大的MOSFET。SOA的范围越大,MOSFET的尺寸也就越大。这同样会增加元件的成本。
为了实现元件尺寸的优化,通常会选用尽可能小的MOSFET,并确保其安全运行。这意味着所选的MOSFET既不尺寸过大,又要在实际应用中充分利用其SOA的大部分范围。为此,控制器IC要能够精确识别工作状态,以判断MOSFET的运行是否处于SOA的安全范围内。然而,许多控制器IC仅仅测量流过MOSFET的电流。若还能了解MOSFET两端的电压降,那就更好了。

图3.在LT4363中,根据漏源电压对定时电容器进行充电,实现对SOA曲线的一种准仿真。
LT4363浪涌保护器件不仅会考虑流过MOSFET的电流大小,还会考虑源极和漏极之间施加的电压。如此一来,MOSFET能够在线性模式下更安全地运行,而且也许能够选择尺寸更小的MOSFET,进而降低系统成本。
这种保护机制的工作原理是,根据所测量的电流和压降,对图1中TMR引脚上的定时电容器进行充电。如果电容器上的电压上升到1.275 V以上,就会发出警告。而当电压高于1.375 V时,MOSFET会完全关断,以实施保护。
图3显示了图1中LT4363的定时电容器上的电压如何由于图1中MOSFET Q1上的VDS电压而上升。对于流过MOSFET Q1的电流,同样有类似的充电图示。这些参数可确保不会超出MOSFET的SOA曲线,不仅实现了安全运行,也起到了过压保护的作用。
过压保护模块看起来相当简单且不起眼,但一些细微的特性却能在过压保护的性能表现及MOSFET的选型方面产生重大影响。
# # #
关于ADI公司
Analog Devices, Inc. (NASDAQ:
ADI)是全球领先的半导体公司,致力于在现实世界与数字世界之间架起桥梁,以实现智能边缘领域的突破性创新。ADI提供结合模拟、数字和软件技术的解决方案,推动数字化工厂、汽车和数字医疗等领域的持续发展,应对气候变化挑战,并建立人与世界万物的可靠互联。ADI公司2024财年收入超过90亿美元,全球员工约2.4万人。ADI助力创新者不断超越一切可能。更多信息,请访问www.analog.com/cn。
Frederik Dostal是一名拥有20多年行业经验的电源管理专家。他曾就读于德国埃尔兰根大学微电子学专业,并于2001年加入National Semiconductor公司,担任现场应用工程师,帮助客户在项目中实施电源管理解决方案,进而积累了不少经验。在此期间,他还在美国亚利桑那州凤凰城工作了4年,担任应用工程师,负责开关电源产品。他于2009年加入ADI公司,先后担任多个产品线和欧洲技术支持职位,具备广泛的设计和应用知识,目前担任电源管理专家。Frederik在ADI的德国慕尼黑分公司工作。